Zabezpečenie kvality a hygieny pitnej vody v budovách: Aktívne systémy
Přehrát audio verzi
Zabezpečenie kvality a hygieny pitnej vody v budovách: Aktívne systémy
00:00
00:00
1x
- 0.25x
- 0.5x
- 0.75x
- 1x
- 1.25x
- 1.5x
- 2x
V súčasnosti sa stretávame s požiadavkou na teplotu studenej pitnej vody z dvoch zorných uhlov: „legislatívny limit“ požaduje maximálnu teplotu 25 °C, avšak „hygienické optimum“ odporúča teplotu pod 20 °C, pri ktorom sa riziko Legionelly minimalizuje na nulu. Baktéria Pseudomonas aeruginosa je v studenej vode často väčším rizikom než Legionella, pretože sa množí už pri nižších teplotách (od 20–22 °C). Problémy s kvalitou a hygienou studenej aj teplej vody v budovách sú dôsledkom nielen klimatických zmien, ale aj technologických procesov vo výstavbe a tiež prevádzky vodovodov, ako je napr. zatepľovanie budov, dlhé rozvody potrubí, nepravidelný odber vody, stagnácia vody v potrubí a pod. Článok sa venuje aktívnym systémom na zabezpečenie kvality a hygieny pitnej vody, voľne nadväzuje na 1. časť tejto problematiky, ktorá sa venovala pasívnym technickým opatreniam.
1. Úvod

Obr. 1 Teploty prívodu studenej vody (máj až január) z 5 meracích bodov v hĺbke 1,4 m v zemi, vidiecka oblasť v južnom Nemecku (DVGW – Dr. Korth)

Obr. 2 Teploty na povrchu nástennej výtokovej zmiešavacej batérie na prívode studenej a teplej vody (Schulte, 2012)
Problém „prehrievania studenej vody“ je čoraz dôležitejší – v neposlednom rade aj kvôli veľmi teplým letám za posledných 10 rokov. Zvýšené teploty vzduchu a zeme majú vplyv aj na teplotu vody, privádzanej do budov a sú výzvou pre zabezpečenie kvality a hygieny vody, Obr. 1.
Vysoké vonkajšie teploty sťažujú dodávateľom vody aj majiteľom budov obmedziť teplotu studenej pitnej vody na maximálne 25 °C. Problém prehrievania studenej pitnej vody v budovách má viacero príčin, z ktorých najzávažnejšie sú:
- zmena klimatických pomerov,
- vysoká teplota v interiéroch budov a v inštalačných priestoroch,
- spoločné šachty pre studené(chladiace) aj teplovodné potrubia,
- rozsiahle dlhé rozvody studenej aj teplej vody,
- stagnácia vody v potrubí.
V dôsledku vyššie uvedených príčin dochádza k prehrievaniu studenej vody, ktorá už do budovy vstupuje s teplotou často nad 15 °C (Obr. 1) a počas stagnácie napr. v noci sa prehreje vo výtokovej armatúre aj „pomocou“ cirkulácie teplej vody na teplotu nad 30 °C, Obr. 2.
Pitná voda stráca svoje prioritné senzorické vlastnosti, akými sú optimálna teplota, chuť a osviežujúci účinok. V rozmedzí teplôt od 25 po 55 °C nastáva aj veľké riziko hygienického znečistenia vody rozmnožovaním baktérií, napr. rodu Legionella. Teplota studenej pitnej vody by nemala presiahnuť 25 °C po celej trase až po výtokovú armatúru. Riziko kontaminácie studenej pitnej vody Legionellou možno znížiť na minimum len vtedy, ak sa teplota studenej vody vo všetkých úsekoch potrubia počas prevádzky dá trvalo udržiavať pod 20 °C.
Technické opatrenia na elimináciu uvedených príčin a ich následkov môžeme rozdeliť na dve základné skupiny, tzv. pasívne a aktívne.
Medzi pasívne systémy ochrany kvality pitnej vody patria:
- dostatočné vzdialenosti potrubí studenej vody od teplovodných potrubí v podlahe, predstene, podhľade, šachte,
- kvalitná izolácia potrubia,
- samostatné šachty pre zvislé rozvody chladiacich a teplovodných potrubí,
- pravidelný odber vody vo všetkých výtokových armatúrach.
Uvedené pasívne opatrenia , popísané podrobnejšie v 1. časti článku sú však zbytočné, ak pitná voda v potrubí stagnuje. Aj pri najkvalitnejšej izolácii a jej optimálnej hrúbke sa studená voda počas stagnácie prehrieva a dosahuje v krátkom čase kritickú teplotu 25 °C a viac. Z uvedeného vyplýva, že najväčším nepriateľom hygieny a kvality pitnej vody je stagnácia.
Druhou skupinou technických opatrení, ktorých cieľom je zabrániť stagnácii a zabezpečiť nútenú cirkuláciu studenej vody, prípadne jej chladenie, sú systémy aktívne, ktoré sú však ekonomicky aj energeticky náročnejšie. Aktívne chladenie pitnej vody zahŕňa rôzne technológie a systémy, ktoré zabezpečujú, že pitná voda je udržiavaná na optimálnej, chladnej teplote pre spotrebiteľov. Tieto systémy sú dôležité najmä v teplých oblastiach alebo počas horúcich mesiacov, keď je potrebné zabezpečiť kvalitu vody a komfort jej používania.
Medzi aktívne spôsoby ochrany kvality vody môžeme zaradiť napr.:
- preplachovacie systémy, ktoré využívajú princíp Venturiho trubice,
- automatické preplachovacie systémy, riadené podľa času, prietoku, teploty vody alebo spotreby,
- cirkulačné systémy „rúrka v rúrke“,
- chladiace cirkulačné systémy pomocou výmenníkov tepla alebo s využitím tepelného čerpadla,
- geotermálne chladenie pitnej vody – využívajú stabilnú teplotu podzemnej vody na chladenie pitnej vody,
- akumulačné systémy v tepelne izolovaných nádržiach na studenú vodu, ktoré sa napĺňajú a chladia počas nízkej spotreby energie (napr. počas noci), aby sa voda udržala studená počas dňa,
- solárne chladenie studenej vody – termicky alebo elektricky riadené solárne chladiace systémy,
- systémy reverznej osmózy s chladením vody.
2. Preplachovacie systémy s využitím Venturiho trubice
Špeciálnou armatúrou, ktorá sa dá využiť na zabezpečenie výmeny vody v stagnujúcich úsekoch potrubia vodovodu je Venturiho rozdeľovač prietoku vody. Venturiho trubica v kombinácii s okruhovým vedením pripájacieho potrubia umožňuje rozdelenie prietoku vody do hlavného (stúpacieho) a do pripájacieho potrubia, bez nutnosti použitia regulačných armatúr. Vďaka zúženiu vnútorného prierezu potrubia sa vytvára rozdiel tlaku ∆p priemerne 30–50 mbar, ktorý vynucuje prúdenie vody z hlavného smeru toku, kde je otvorená výtoková armatúra, aj do pripájacieho potrubia v objeme približne 5 až 10 % z celkového objemu prúdiacej vody. Táto časť objemu vodného prúdu prejde okruhom pripájacieho potrubia a prepláchne ho bez otvorenia výtokovej armatúry napojenej na toto pripájacie potrubie. Zvyšných približne 90 % objemu vody preteká ďalej v hlavnom smere prúdenia, za Venturiho trubicou sa toky vody spoja a celý 100-percentný prietok vody prúdi k otvorenej výtokovej armatúre, Obr. 3. Venturiho rozdeľovač prietoku predstavuje jednoduché a nenáročné riešenie, vhodné pre zriedkavo používané odberné miesta, ako sú vonkajšie ventily na fasáde, umývadlá v garáži, kúpeľne pre hostí a pod, Obr. 4. Môže byť osadený v horizontálnej aj vo vertikálnej polohe, v podlahe, pod stropom, voľne na potrubí alebo pod omietkou, Obr. 5.
Obr. 3 Venturiho trubica s rozdeľovačom prietoku – konštrukčné varianty [f. Kemper]
a – Venturiho dynamický rozdeľovač prietoku, b – Venturiho rozdeľovač prietoku v kombinácii so systémom „rúrka v rúrke“ s cirkulačným potrubím, c – dynamický rozdeľovač prietoku KHS f. Kemper
Obr. 4 Rozdeľovač prietoku zabraňuje stagnácii vody núteným prietokom pri otvorení armatúry v akomkoľvek odbernom mieste v budove [f. Kemper]
a – výtok na hadicu s nepravidelným odberom vody, vysoké hygienické riziko množenia baktérií, b – rozdeľovač prietoku s okruhovým potrubím prepláchne kritický úsek potrubia
![Obr. 5 Spôsoby inštalácie Venturiho rozdeľovača prietoku KHS [f. Kemper]. c – pod stropom](/docu/clanky/0297/029748o20.png)
c
Obr. 5 Spôsoby inštalácie Venturiho rozdeľovača prietoku KHS [f. Kemper]
a – v podlahe, b – na stúpacom potrubí, c – pod stropom
3. Automatické preplachovacie systémy s nastavením podľa času, teploty alebo prietoku
Voda v distribučnom systéme vodovodu by mala byť podľa STN EN 806-5 [1] vymenená minimálne 1-krát za týždeň. Ak sa nedá zabezpečiť výmena vody ručne, napr. pri bežnom pravidelnom odbere otváraním jednotlivých výtokových armatúr, optimálnou možnosťou je použitie automatickej preplachovacej jednotky, Obr. 6. Toto zariadenie prepláchne v nastavených intervaloch vybraný úsek vodovodu, aby bola zabezpečená pravidelná výmena vody v potrubí. Preplachovacie jednotky sú k dispozícii pre pripojenie na studenú aj na teplú vodu a inštalujú sa na konci toho úseku potrubia, ktoré sa má preplachovať vodou – napr. na konci stúpacieho potrubia alebo na konci pripájacieho potrubia vodovodu. Preplachovacie jednotky musia byť pripojené na kanalizáciu, keďže voda určená k prepláchnutiu potrubia odteká do kanalizácie (cez zápachovú uzávierku), Obr. 6.
![Obr. 6 Príklady inštalácie hygienických preplachovacích jednotiek [f. Geberit]. e – samostatná hygienická jednotka s 1 alebo 2 prívodmi vody s väčšími prietokmi – 2 × 10 l/min umiestnená v inštalačnej predstene pod stropom, (stúpacie potrubie studenej vody je vedené oddelene pri odpadovom potrubí kanalizácie vľavo, stúpacie potrubie teplej vody a cirkulácie samostatne vpravo)](/docu/clanky/0297/029748o29.jpg)
e
Obr. 6 Príklady inštalácie hygienických preplachovacích jednotiek [f. Geberit]
a, b – pre 1 prívod vody s prietokom do 3 l/min (vhodné pre prázdne byty, sezónne využívané objekty, pripojenie napr. na záhradný ventil, alebo pod umývadlo) c – na dodatočnú inštaláciu do podomietkovej splachovacej nádržky WC s preplachovacím prietokom 2 × 4 l/min, d – pre viacero vodovodných okruhov v budove, e – samostatná hygienická jednotka s 1 alebo 2 prívodmi vody s väčšími prietokmi – 2 × 10 l/min umiestnená v inštalačnej predstene pod stropom, (stúpacie potrubie studenej vody je vedené oddelene pri odpadovom potrubí kanalizácie vľavo, stúpacie potrubie teplej vody a cirkulácie samostatne vpravo)
Automatické preplachovacie jednotky sú vybavené riadiacou jednotkou, ku ktorej možno pripojiť teplotný senzor, alebo senzor objemového prietoku vody. Pravidelné automatické preplachovanie v budove je možné nastaviť podľa:
- zvoleného intervalu (nie je pevne stanovený čas prepláchnutia), vhodné pre súkromné a rekreačné objekty, kempy, hotely, obytné budovy, školy a škôlky, priemyselné podniky,
- pevne stanoveného času, napr. 18:00 v jednom alebo vo viacerých dňoch v týždni, čas prepláchnutia je možné individuálne nastaviť, vhodné pre hotely, školy a škôlky, kuchynky v kancelárskych budovách, výstavné sály, konferenčné centrá, športové haly,
- nastavenej teploty, kedy sa prepláchnutie začne dosiahnutím kritickej teploty vody, napr. 25 °C, končí po dosiahnutí stanovenej teploty, alebo po maximálnej dobe prepláchnutia, vhodné pre technické miestnosti, inštalačné šachty, podhľady, školy a škôlky, Obr. 7,
- podľa prietoku, kedy sa napr. o 6:00 v jednom alebo viacerých dňoch v týždni nastaví prepláchnutie s pevne stanoveným objemom pitnej vody, napr. školy, škôlky, športové haly, hotely, kuchynky v kancelárskych budovách, hotely, výstavné sály a konferenčné centrá,
- podľa spotreby, kedy snímač prietoku pred preplachovacou jednotkou kontroluje spotrebu vody požadovanom úseku potrubia a „spustí objemovo optimalizované diferenciálne prepláchnutie“ iba takým množstvom vody, aké je nevyhnutné pre správnu prevádzku. Systém je vhodný pre školy a škôlky, obytný dom (poschodie za bytovým vodomerom), nemocnice a opatrovateľské domy, hotely, koncertné budovy, divadlá, konferenčné centrá, športové haly, Obr. 8.
![Obr. 7 Príklad preplachovania vodovodu podľa teploty – automatická jednotka preplachovania integrovaná v splachovacej WC nádržke [f. Geberit]](/docu/clanky/0297/029748o31.png)
Obr. 7 Príklad preplachovania vodovodu podľa teploty – automatická jednotka preplachovania integrovaná v splachovacej WC nádržke [f. Geberit]
![Obr. 8 Príklad preplachovania vodovodu podľa spotreby vody – automatická jednotka programovaná na minimálny kontrolovaný prietokový objem vody v potrubí [f. Geberit]](/docu/clanky/0297/029748o33.png)
Obr. 8 Príklad preplachovania vodovodu podľa spotreby vody – automatická jednotka programovaná na minimálny kontrolovaný prietokový objem vody v potrubí [f. Geberit]
4. Cirkulačné systémy In-liner – „rúrka v rúrke“
Tieto systémy, označované aj ako „In-liner“ potrubia, zabezpečujú cirkuláciu vody integráciou súbežne vedených paralelných potrubí (privodného a cirkulačného) – do jedného zvislého stúpacieho potrubia, v ktorom je cirkulačné potrubie vedené vnútri prívodného potrubia, Obr. 9. Sú to systémy vhodné nielen pre cirkuláciu teplej vody, ale môžu sa použiť aj pre cirkuláciu pitnej studenej vody. Ich výhodou je zníženie prenosu tepla pri prehrievaní studenej vody, úspora miesta v šachtách, úspora izolačného materiálu, kotviacich prvkov, znižujú objemový prietok čerpadlom s energeticky efektívnou a ekologickou prevádzkou.
Nevýhodou je doposiaľ nedostatočná osveta, informovanosť a hlavne technická podpora pre projektantov ZTI.
Obr. 9 Systém In liner „rúrka v rúrke“ pre cirkuláciu studenej (aj teplej) vody
a – princíp cirkulácie „rúrka v rúrke“, b – prierez potrubím systém Smartloop Inliner Viega, c – päta stúpacieho potrubia s prívodným a cirkulačným potrubím [f. Viega]
1 – cirkulačné potrubie, 2 – prívodné stúpacie potrubie, 3 – pripájacie potrubie
5. Chladiace cirkulačné systémy studenej pitnej vody
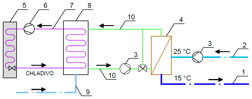
Cirkuláciou a chladením studenej vody sa zabezpečí požadovaná teplota aj výmena studenej vody v potrubí, podobne ako je to bežné aj v prípade cirkulačného systému teplej vody. Pre chladiaci systém studenej vody je základným technologickým prvkom výmenník, Obr. 10.
Na chladenie studenej pitnej vody možno použiť:
- chladiacu klimatizačnú jednotku (Obr. 11),
- tepelné čerpadlo (napr. zem–voda),
- v závislosti od využitia budovy môžu byť už existujúce chladiace systémy (zdroje chladu) v budove použité aj pre chladenie studenej vody.
Návrh systému cirkulácie studenej vody závisí od:
- zvolenej požadovanej výstupnej teploty studenej vody po ochladení,
- teploty dodávanej studenej vody do objektu,
- teploty prostredia v okolí potrubia studenej vody a cirkulácie,
- dĺžok a dimenzií potrubia.
![Obr. 10 Schéma chladenia studenej pitnej vody s výmenníkom a cirkulačným potrubím studenej vody [f. Oventrop]](/docu/clanky/0297/029748o40.png)
Obr. 10 Schéma chladenia studenej pitnej vody s výmenníkom a cirkulačným potrubím studenej vody [f. Oventrop]
![Obr. 11 Schéma kompresorového chladenia studenej pitnej vody s chladiacou klimatizačnou jednotkou, výmenníkom a akumulačnou nádobou [2]. 1 – potrubie studenej pitnej vody, 2 – potrubie cirkulácie studenej vody, 3 – cirkulačné čerpadlo, 4 – výmenník, 5 – chladiaca klimatizačná jednotka, 6 – kompresor, 7 – primárny chladiaci okruh (chladivo), 8 – akumulačná nádoba technologickej vody, 9 – prívod vody do akumulačnej nádoby, 10 – okruh technologickej vody](/docu/clanky/0297/029748o42.png)
Obr. 11 Schéma kompresorového chladenia studenej pitnej vody s chladiacou klimatizačnou jednotkou, výmenníkom a akumulačnou nádobou [2]
1 – potrubie studenej pitnej vody, 2 – potrubie cirkulácie studenej vody, 3 – cirkulačné čerpadlo, 4 – výmenník, 5 – chladiaca klimatizačná jednotka, 6 – kompresor,
7 – primárny chladiaci okruh (chladivo), 8 – akumulačná nádoba technologickej vody,
9 – prívod vody do akumulačnej nádoby, 10 – okruh technologickej vody
Keď studená voda v potrubí dosiahne maximálnu povolenú teplotu 25 °C, ochladzuje sa pomocou chladiacej jednotky a výmenníka tepla. Keďže teplotný rozdiel medzi studenou vodou a okolím je oveľa nižší ako v systéme teplej vody, je aj potrebná spotreba energie výrazne nižšia.
Príklad použitia chladenia s cirkuláciou studenej vody v objekte [5]:
Inštalácia systému pitnej vody s cirkuláciou bola realizovaná v domove dôchodcov so 60 izbami. Cirkulujúca studená voda je ochladzovaná podľa potreby chladiacou jednotkou s výmenníkom tepla. Cirkulačný ventil studenej vody „Aquastrom K“ (Obr. 10) je inštalovaný pred každou užívateľskou jednotkou inštalácie studenej vody. Potrubný systém je izolovaný podľa DIN 1988-200. Chladiaci výkon je potrebný len dočasne, pretože bežný pravidelný odber udržuje systém väčšinou na optimálnej teplote. Chladenie prebieha v podstate iba v nočných hodinách. V tomto potrubnom systéme s 1500 m prívodných a cirkulačných potrubí studenej vody je potrebný priemerný chladiaci výkon 1 watt na meter dĺžky potrubia. Potrebný chladiaci výkon je 1,5 kW a potrebná chladiaca energia je približne 9 kWh za deň.
6. Záver
Výrobcovia potrubných systémov pre rozvody pitnej vody vyvíjajú rôzne technické riešenia v oblasti ochrany hygieny a kvality pitnej vody. Pri výbere konkrétneho riešenia je dôležité zvážiť špecifické požiadavky, ako sú veľkosť systému, požiadavky na kvalitu vody, energetická efektívnosť, prevádzka budovy a iné faktory. Chladiace technológie by sa mali navrhovať v krajných prípadoch, len tam, kde už pasívne systémy nestačia. V praxi je nutné eliminovať aktívne chladiace technológie na minimum. V prvom rade by sa mali využiť pasívne opatrenia, v čom by mali byť nápomocní hlavne architekti a projektanti stavebnej časti, ktorí vopred vymedzia priestory pre samostatné šachty chladiacich a teplovodných potrubí. Projektanti ZTI by mali viesť potrubia studenej pitnej vody v odporúčaných vzdialenostiach od teplovodných systémov, aj vykurovania. Pre kvalitu a hygienu pitnej vody je zásadná pravidelná prevádzka odberných miest, kontrola kvality vody a zabránenie stagnácii vody v potrubí. To je aj hlavná úloha pre prevádzkovateľa budovy, ktorý zodpovedá za kvalitu vody v objekte.
Článok bol spracovaný v rámci projektu VEGA č. 1/0482/25.
Literatúra
- STN EN 806: Technické podmienky na zhotovovanie vodovodných potrubí na pitnú vodu vnútri budov. Časť 1. Všeobecne, Časť 2. Navrhovanie, Časť 3. Dimenzovanie potrubia – zjednodušená metóda, Časť 4. Montáž, Časť 5. Prevádzka a údržba.
- Macková, D.–Peráčková, J.: Zabezpečenie hygieny pitnej vody v pripájacom potrubí vodovodu. In: TZB Haustechnik, 05/2019.
- Technické podklady f. VIEGA.
- Technické podklady f. KEMPER.
- Technické podklady f. OVENTROP.
- Schulte, W.: Planungspraxis für Trinkwassergüte in Gebäuden. In: C. Kistemann, Schulte W., Rudat K., Hentschel W., Häußermann D. (Hrsg.): Gebäudetechnik für Trinkwasser, Springer Verlag Berlin, S. 167–275, 2012.
Články, které tvoří dvě části jednoho článku, popisují hygienická hlediska u vnitřních vodovodů studené pitné vody. Tato hlediska jsou u nás zatím brána v úvahu jen málo, ale jedná se o trend, který se zřejmě projeví v požadavcích EN 806-2 po její revizi, která v současné době probíhá. Články informují čtenáře o tom, jak správně zabezpečit kvalitu pitné vody v budovách, a čtenáři po jejich přečtení získají přehled, jaké požadavky budou na vnitřní vodovody v budoucnu kladeny.
Články doporučuji k vydání.
![Obr. 3 Venturiho trubica s rozdeľovačom prietoku – konštrukčné varianty [f. Kemper]. a – Venturiho dynamický rozdeľovač prietoku](/docu/clanky/0297/029748o6.png)
![Obr. 3 Venturiho trubica s rozdeľovačom prietoku – konštrukčné varianty [f. Kemper].
b – Venturiho rozdeľovač prietoku v kombinácii so systémom „rúrka v rúrke“ s cirkulačným potrubím](/docu/clanky/0297/029748o8.png)
![Obr. 3 Venturiho trubica s rozdeľovačom prietoku – konštrukčné varianty [f. Kemper]. c – dynamický rozdeľovač prietoku KHS f. Kemper](/docu/clanky/0297/029748o10.jpg)
![Obr. 4 Rozdeľovač prietoku zabraňuje stagnácii vody núteným prietokom pri otvorení armatúry v akomkoľvek odbernom mieste v budove [f. Kemper]. a – výtok na hadicu s nepravidelným odberom vody, vysoké hygienické riziko množenia baktérií](/docu/clanky/0297/029748o12.jpg)
![Obr. 4 Rozdeľovač prietoku zabraňuje stagnácii vody núteným prietokom pri otvorení armatúry v akomkoľvek odbernom mieste v budove [f. Kemper]. b – rozdeľovač prietoku s okruhovým potrubím prepláchne kritický úsek potrubia](/docu/clanky/0297/029748o14.jpg)
![Obr. 5 Spôsoby inštalácie Venturiho rozdeľovača prietoku KHS [f. Kemper]. a – v podlahe](/docu/clanky/0297/029748o16.jpg)
![Obr. 5 Spôsoby inštalácie Venturiho rozdeľovača prietoku KHS [f. Kemper]. b – na stúpacom potrubí](/docu/clanky/0297/029748o18.png)
![Obr. 6 Príklady inštalácie hygienických preplachovacích jednotiek [f. Geberit]. a – pre 1 prívod vody s prietokom do 3 l/min (vhodné pre prázdne byty, sezónne využívané objekty, pripojenie napr. na záhradný ventil, alebo pod umývadlo)](/docu/clanky/0297/029748o22.jpg)
![Obr. 6 Príklady inštalácie hygienických preplachovacích jednotiek [f. Geberit]. b – pre 1 prívod vody s prietokom do 3 l/min (vhodné pre prázdne byty, sezónne využívané objekty, pripojenie napr. na záhradný ventil, alebo pod umývadlo)](/docu/clanky/0297/029748o24.jpg)
![Obr. 6 Príklady inštalácie hygienických preplachovacích jednotiek [f. Geberit]. c – na dodatočnú inštaláciu do podomietkovej splachovacej nádržky WC s preplachovacím prietokom 2 × 4 l/min](/docu/clanky/0297/029748o26.jpg)
![Obr. 6 Príklady inštalácie hygienických preplachovacích jednotiek [f. Geberit]. d – pre viacero vodovodných okruhov v budove](/docu/clanky/0297/029748o28.jpg)

![Obr. 9 Systém In liner „rúrka v rúrke“ pre cirkuláciu studenej (aj teplej) vody. b – prierez potrubím systém Smartloop Inliner Viega, c – päta stúpacieho potrubia s prívodným a cirkulačným potrubím [f. Viega]](/docu/clanky/0297/029748o37.jpg)
![Obr. 9 Systém In liner „rúrka v rúrke“ pre cirkuláciu studenej (aj teplej) vody. c – päta stúpacieho potrubia s prívodným a cirkulačným potrubím [f. Viega]](/docu/clanky/0297/029748o39.jpg)